ZGS38 combine harvester chains






Description
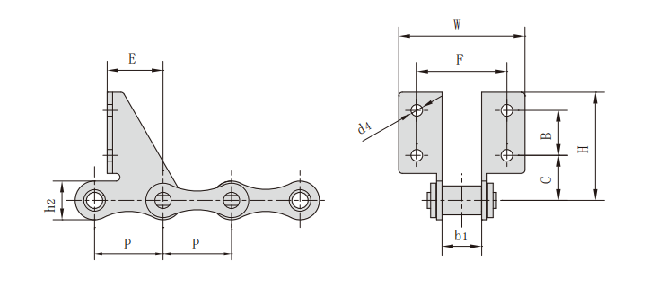
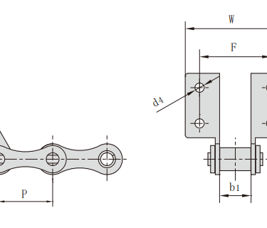
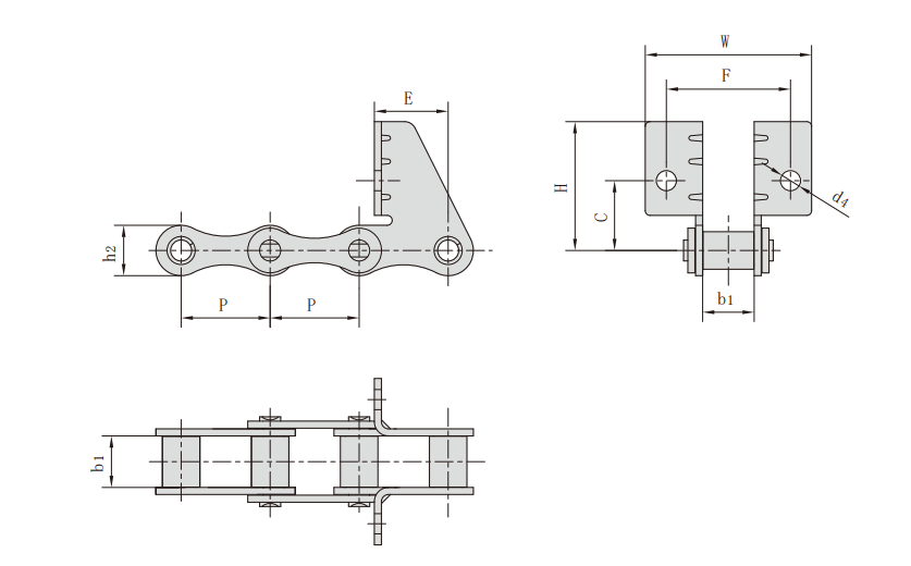
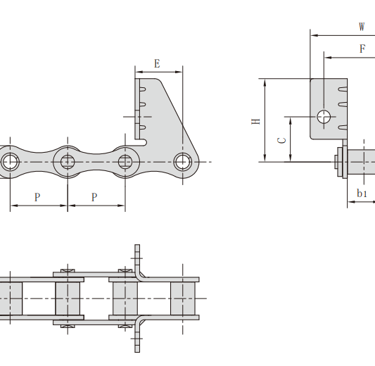
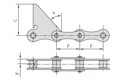
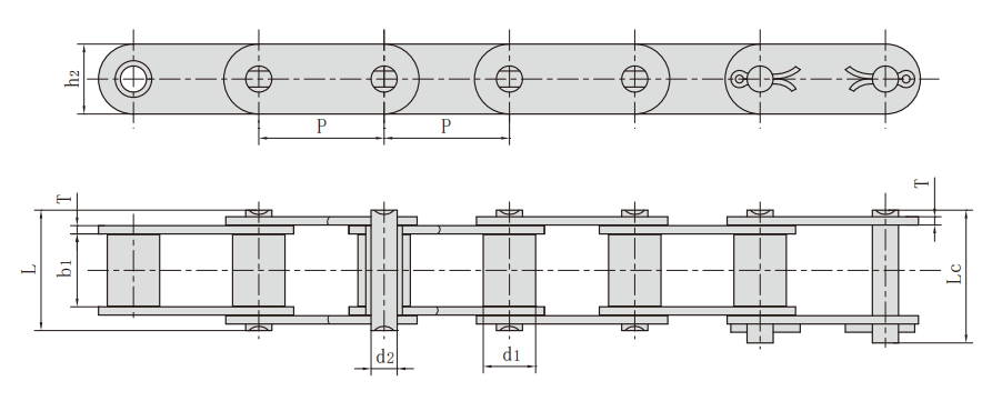
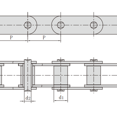
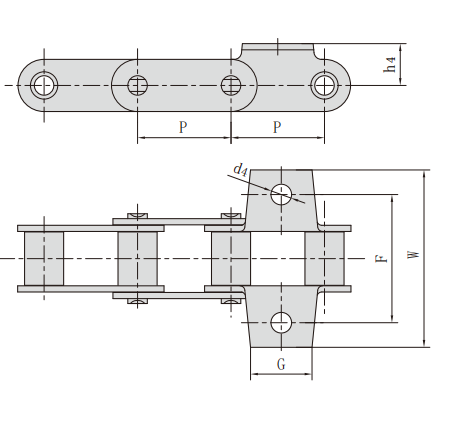
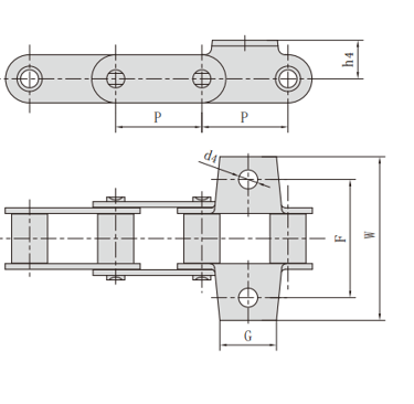
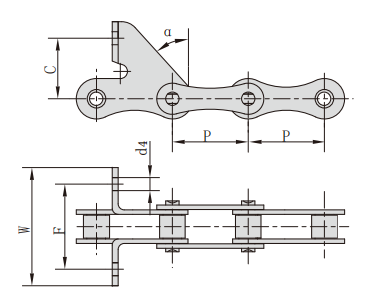
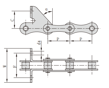
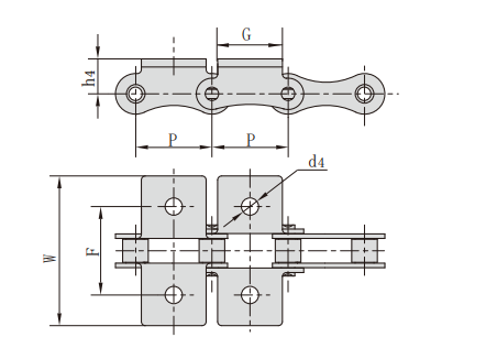
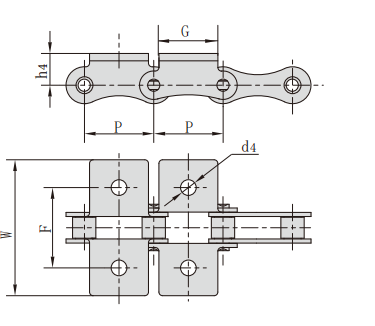
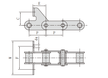
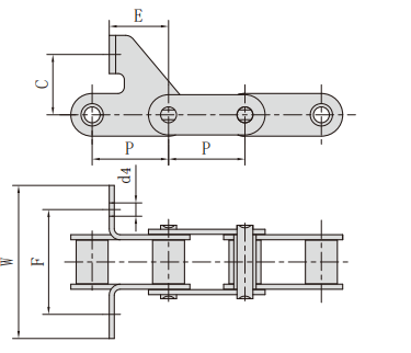
The ZGS38 combine harvester chain conforms to the standard of T/CAAMM 4 China agricultural machinery industry group, which mainly includes feeding chain with k-type attached plate, lifting chain with SD-type attached plate and corn harvesting chain with CPE-type attached plate, etc,, and can also be customized and developed according to user requirements.
Using high-quality raw materials, efficient process equipment and advanced heat treatment, the product has the characteristics of high tensile strength, high fatigue strength and wear resistance, By developing special antirust grease, it can meet the working conditions of agricultural machinery outdoor operation;
Products are widely used in the harvesting process of com, wheat and other crops.
Parameter




























Quality
Expert chain manufacturing with 20 years experience.
GET IN TOUCH
Tel:+86-571 88065675 | +86-571 88842852
E-mail:oceanindustry@vip.163.com
Fax:+86-571 88844378
Address:4th Floor, Block 2, Qianjiang Century Industrial Park, 2327 Hongning Road,Ningwei Town,Hangzhou, China
© 2005. All rights reserved.
