Z series conveyor chains






Description
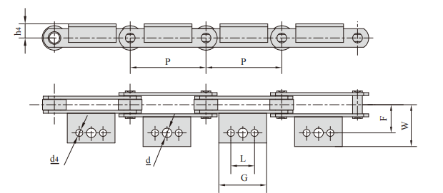
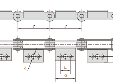
Parameter


Imperial (Z series) conveyor chains meet BS standards, mainly including Z-type conveyor chain, ZE-type conveyor chain and ZC-type hollow pin shaft conveyor chain.
The imperial (Z series) conveyor chain is similar to the metric (M series) conveyor chain.which refers to the roller chain or sleeve chain with the chain pitch of 1.5o in ~ 12.o in. The rollers have various structural forms, and various accessories are arranged according to the service conditions.
Z-type is solid pin transmission chain, ZC-type is hollow pin transmission chain, ZE-type is large roller heightening chain plate transmission chain. There are two kinds of products with tensile strength indexes for users to choose from.
AA-Products are widely used in European markets, conveying materials for general conveying and mechanized conveying equipment.




Quality
Expert chain manufacturing with 20 years experience.
GET IN TOUCH
Tel:+86-571 88065675 | +86-571 88842852
E-mail:oceanindustry@vip.163.com
Fax:+86-571 88844378
Address:4th Floor, Block 2, Qianjiang Century Industrial Park, 2327 Hongning Road,Ningwei Town,Hangzhou, China
© 2005. All rights reserved.
