Wood conveyor chains




Description
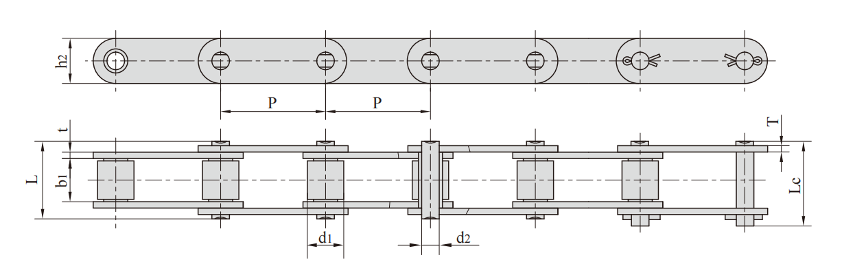
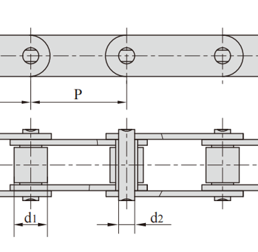
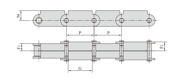
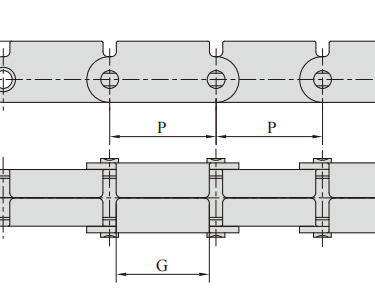
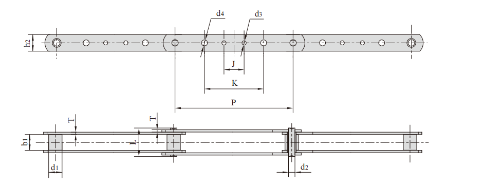
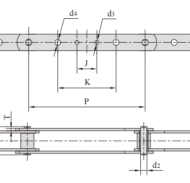
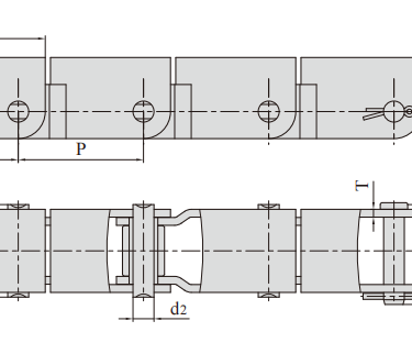
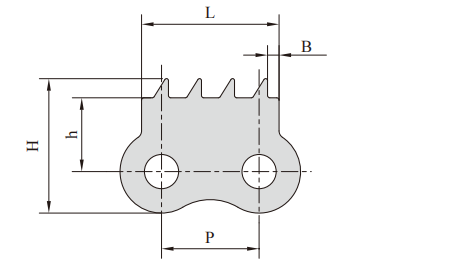
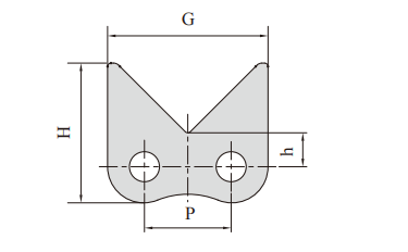
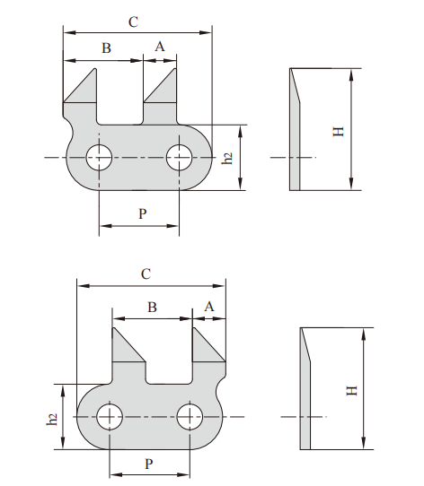
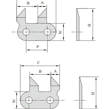
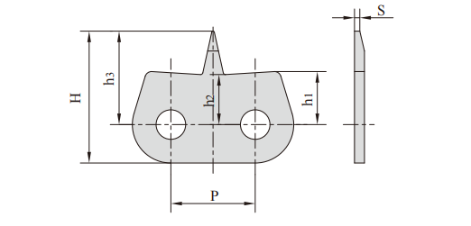
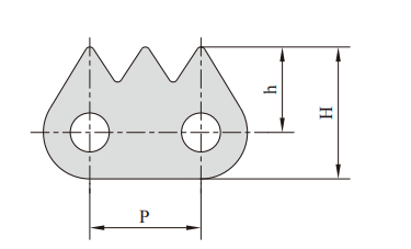
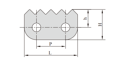
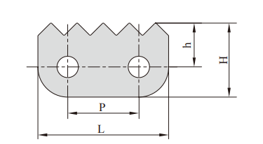
Parameter


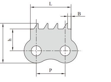
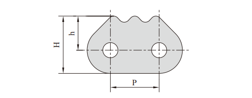
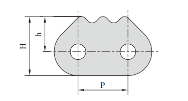
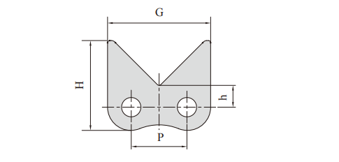
Wood conveying chain is used by wood processing enterprises for wood conveying,and its main products are 81X series, sharp tooth chain and so on;
Using high-quality materials and advanced processing technology, the product has the characteristics of high strength, high wear resistance, smooth transportation, etc.and the tooth surface of sharp teeth can be hardened according to the use requirements.
Products are widely used in wood conveying equipment.






































Quality
Expert chain manufacturing with 20 years experience.
GET IN TOUCH
Tel:+86-571 88065675 | +86-571 88842852
E-mail:oceanindustry@vip.163.com
Fax:+86-571 88844378
Address:4th Floor, Block 2, Qianjiang Century Industrial Park, 2327 Hongning Road,Ningwei Town,Hangzhou, China
© 2005. All rights reserved.
