Sugar machine chains
Description








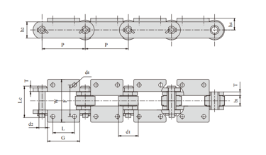
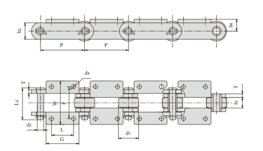
Sugar machine chain refers to the chain used in the production equipment of sugar(sugar cane and sugar beet are the main raw materials), and the products cover the manufacturing processes of transmission, lifting and transportation in the sugar industry .company has rich design experience and manufacturing technology, and can provide system solutions for users;
Martensite stainless steel is selected as the pin shaft and sleeve of the chain for specific environment Advanced heat treatment process ensures the toughness and strength of the product it has the characteristics of high wear resistance, strong corrosion resistance and reliable operation, and its service life has been increased by more than one time.


Quality
Expert chain manufacturing with 20 years experience.
GET IN TOUCH
Tel:+86-571 88065675 | +86-571 88842852
E-mail:oceanindustry@vip.163.com
Fax:+86-571 88844378
Address:4th Floor, Block 2, Qianjiang Century Industrial Park, 2327 Hongning Road,Ningwei Town,Hangzhou, China
© 2005. All rights reserved.
