Steel sleeve chain for engieering
Description






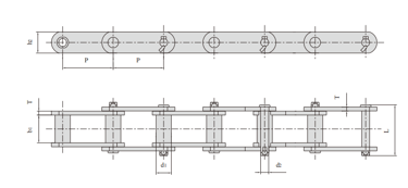
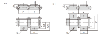
Engineering steel sleeve chain is mainly designed and manufactured according to ASME B2912M steel sleeve (without roller) chain, accessories and sprocket tooth profile,JB/T 5398 steel sleeve chain, accessonies and so rocket, JB/T 3926 "vertical bucket elevator and other standards, and can also be customized and developed according touser requirements.
The steel sleeve chain for engineering is evolved from the early casting chain. Based on the design of chain service function and long service life, the product has a large hinge bearing area, which can be strengthened by heat treatment to ensure sufficient wear and impact resistance.
Products are mainly used in conveyors, bucket elevators, hauling equipment and other engineering machinery applications. In some major projects, many heavy-duty bucket elevators use steel sleeve chains as bulk material conveying chains.
Quality
Expert chain manufacturing with 20 years experience.
GET IN TOUCH
Tel:+86-571 88065675 | +86-571 88842852
E-mail:oceanindustry@vip.163.com
Fax:+86-571 88844378
Address:4th Floor, Block 2, Qianjiang Century Industrial Park, 2327 Hongning Road,Ningwei Town,Hangzhou, China
© 2005. All rights reserved.
