Scraper conveyor chains
Description
Parameter
Scraper conveyor chain has various types and is widely used in powder, granule, block and other materials conveying machinery.
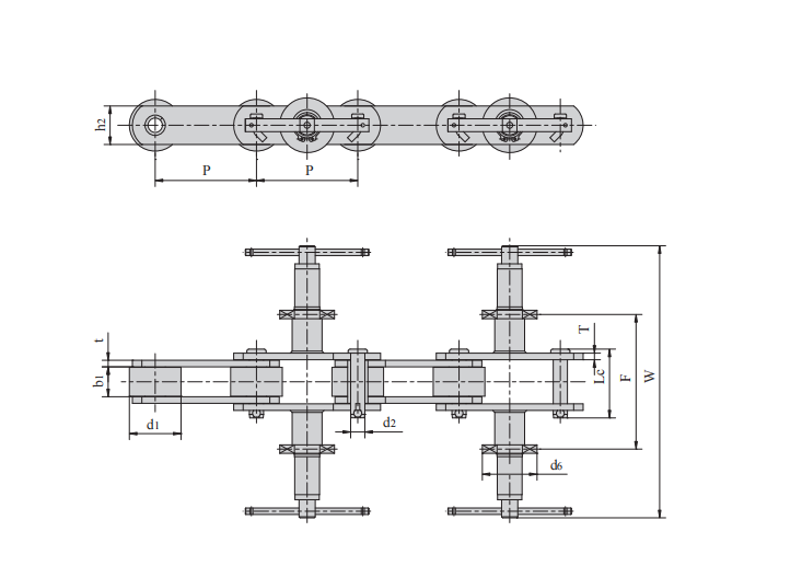
Typical product structure
1.Chain with R-type attached plate
2.Chain with U-shaped accessory
3.Chain with L-shaped accessory






Quality
Expert chain manufacturing with 20 years experience.
GET IN TOUCH
Tel:+86-571 88065675 | +86-571 88842852
E-mail:oceanindustry@vip.163.com
Fax:+86-571 88844378
Address:4th Floor, Block 2, Qianjiang Century Industrial Park, 2327 Hongning Road,Ningwei Town,Hangzhou, China
© 2005. All rights reserved.
