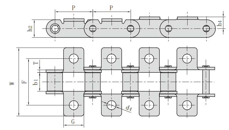
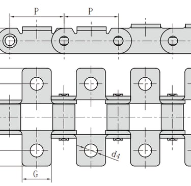
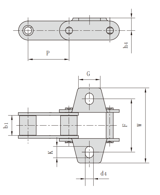
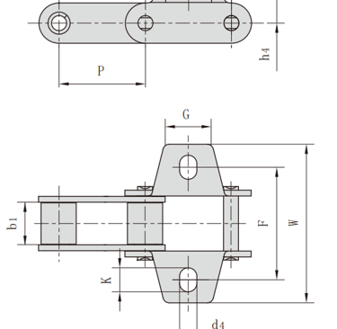
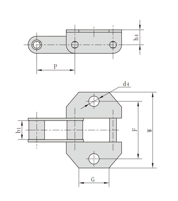
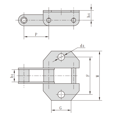
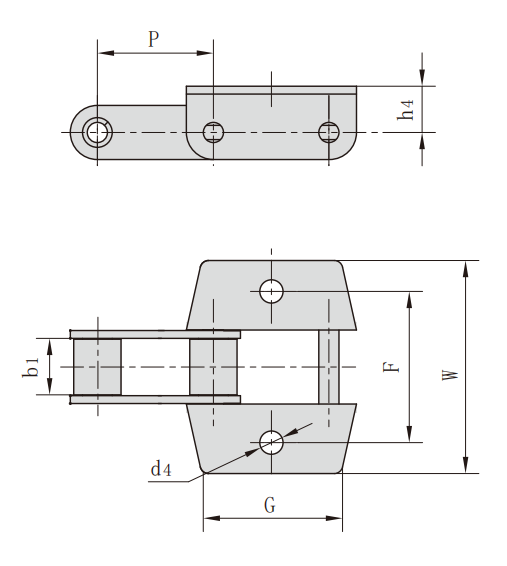
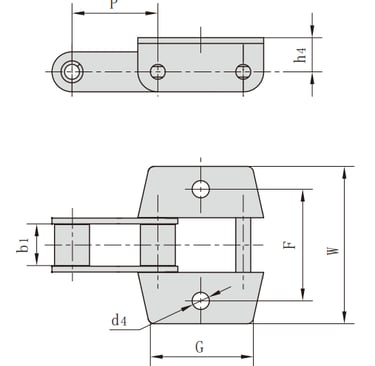
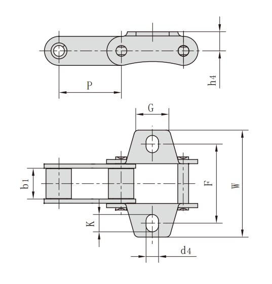
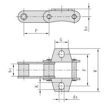
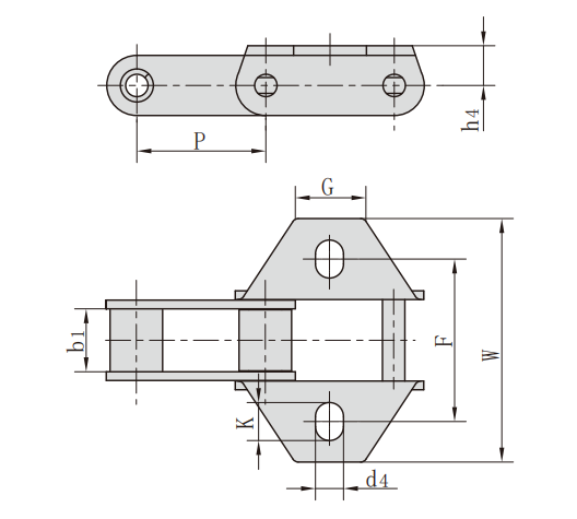
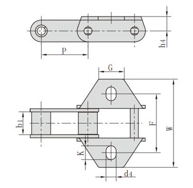
S type, C type steel roller chains



Description
Products meet ISO and DIN standards, mainly including S-type steel agricultural machinery chain and various accessories, C-type steel agricultural machinery chain and various accessories.
Using high-quality raw materials, efficient process equipment and advanced heat treatment, the products have the characteristics of high tensile strength and wear resistance.
Products are widely used in conveying and lifting occasions when crops are harvested
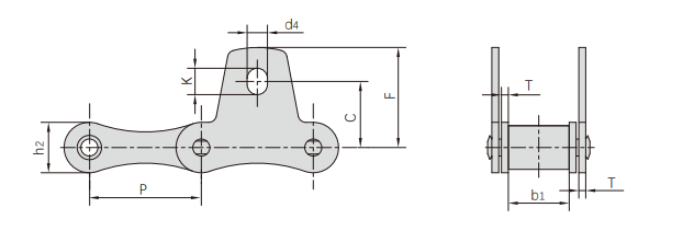
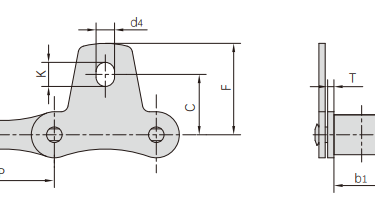
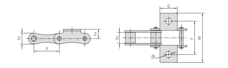
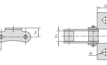
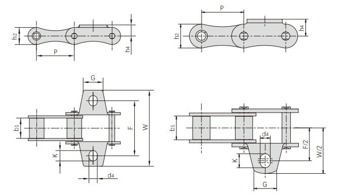
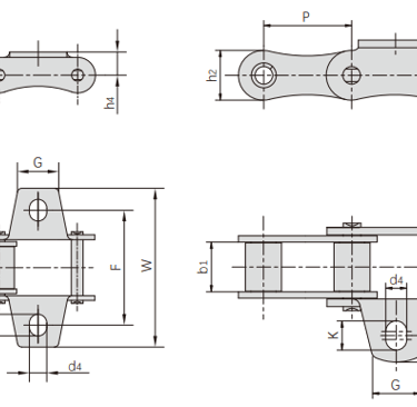
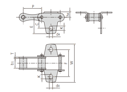
Parameter
























Quality
Expert chain manufacturing with 20 years experience.
GET IN TOUCH
Tel:+86-571 88065675 | +86-571 88842852
E-mail:oceanindustry@vip.163.com
Fax:+86-571 88844378
Address:4th Floor, Block 2, Qianjiang Century Industrial Park, 2327 Hongning Road,Ningwei Town,Hangzhou, China
© 2005. All rights reserved.
