Rubber attached plate chains






Description
Parameter


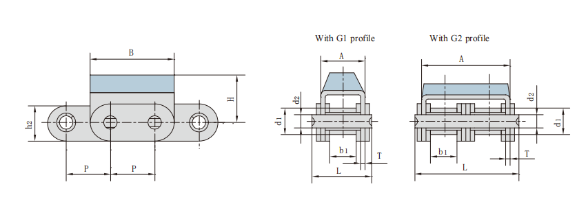
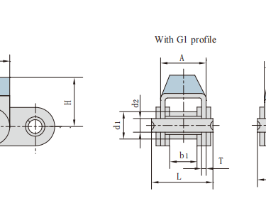
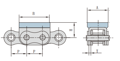
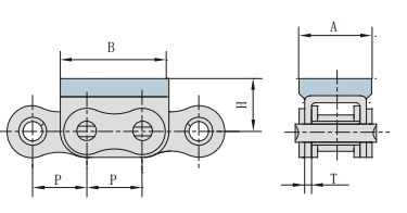
Rubber attached plate chain is a chain with rubber top plate on the basis of standard short pitch precision roller chain as base chain, and the base chain conforms to ISO,ASME/ANSI DIN, JIS and other standards.
Rubber attachment plates are made of NR, NBR, PUR and other high-quality materials Products with different shapes and different states can be designed according to the use requirements, and have the characteristics of stable transportation, safety and reliability
Products are widely used in packaging machinery, PVC pipe drawing, ceramic products, glass products and other fields, conveying goods for all kinds of machinery.conveying lines and so on.








Quality
Expert chain manufacturing with 20 years experience.
GET IN TOUCH
Tel:+86-571 88065675 | +86-571 88842852
E-mail:oceanindustry@vip.163.com
Fax:+86-571 88844378
Address:4th Floor, Block 2, Qianjiang Century Industrial Park, 2327 Hongning Road,Ningwei Town,Hangzhou, China
© 2005. All rights reserved.
