Road construction machinery chains
Description
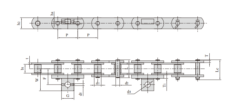
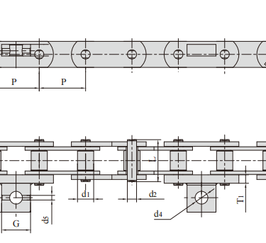
Parameter
Road construction machinery, also known as "road machinery". All kinds of machinery used to build and maintain roads. There are mainly road openers, bulldozers, scrapers,road levelers, pavers, asphalt mixers, loaders, road rollers, etc. Pavers mainly includeP69.85, P70, P78.11, P80 and other series conveyor chains.
Using high-quality materials, high efficiency, advanced processing technology and independent proprietary technology, the products have the characteristics of high tensile strength, stable operation, reliable use and long service life.






Quality
Expert chain manufacturing with 20 years experience.
GET IN TOUCH
Tel:+86-571 88065675 | +86-571 88842852
E-mail:oceanindustry@vip.163.com
Fax:+86-571 88844378
Address:4th Floor, Block 2, Qianjiang Century Industrial Park, 2327 Hongning Road,Ningwei Town,Hangzhou, China
© 2005. All rights reserved.
