Inverted tooth chains
Description
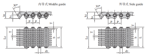
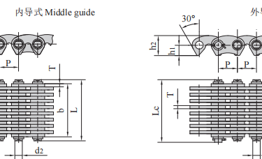
Parameter
The chain refers to ANSI, DIN and other standards, mainly including round pin toothed chain and rolling pin toothed chain;
Using high-quality materials and technology with independent intellectual property rights, the products have the characteristics of high tensile strength, high bearing capacity, lower noise and stable transmission
Widely used in automobile manufacturing, agricultural machinery, engineering machinery and other fields, it transmits power for all kinds of machinery and facilities.such as track grinder, machining center, leveling machinery, automobile production line.steam turbine and so on.








Quality
Expert chain manufacturing with 20 years experience.
GET IN TOUCH
Tel:+86-571 88065675 | +86-571 88842852
E-mail:oceanindustry@vip.163.com
Fax:+86-571 88844378
Address:4th Floor, Block 2, Qianjiang Century Industrial Park, 2327 Hongning Road,Ningwei Town,Hangzhou, China
© 2005. All rights reserved.
