Free flow chains



Description
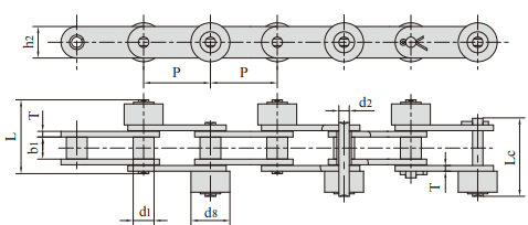
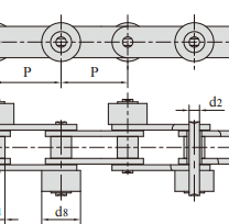
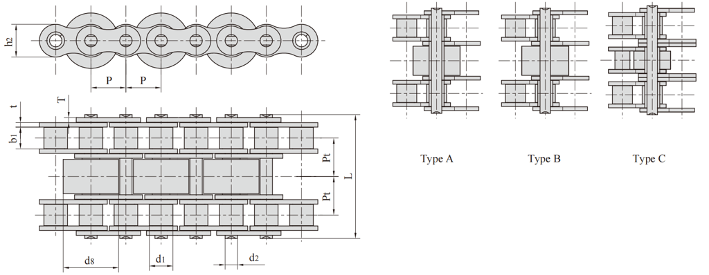
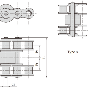
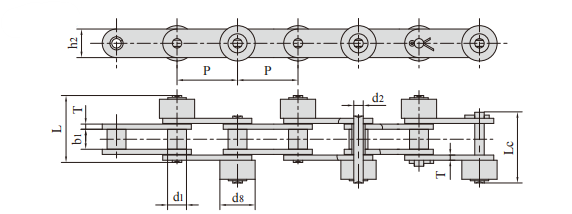
Parameter
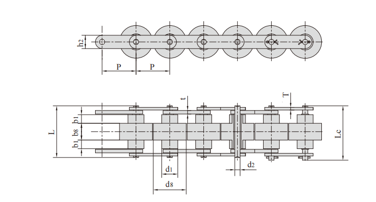
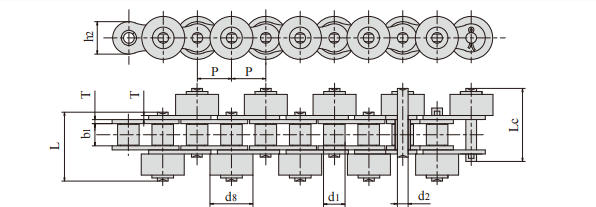
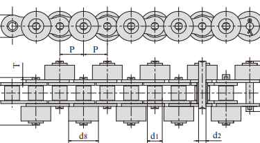
Free-flowing chain refers to a chain whose moving tempo can be controlled according to the requirements of users under the condition that the moving speed of the chain is constant during operation. Under the condition that the running speed of the chain is constant. the speed of conveying articles can be adjusted according to the specific use requirements.It mainly includes: double speed chain, conveyor chain with big roller.conveyor chain with side roller, conveyor chain with special roller, conveyor chain with top roller with short pitch, conveyor chain with top roller with double pitch. etc.


























Quality
Expert chain manufacturing with 20 years experience.
GET IN TOUCH
Tel:+86-571 88065675 | +86-571 88842852
E-mail:oceanindustry@vip.163.com
Fax:+86-571 88844378
Address:4th Floor, Block 2, Qianjiang Century Industrial Park, 2327 Hongning Road,Ningwei Town,Hangzhou, China
© 2005. All rights reserved.
