Double hinged conveyor chains




Description
Parameter
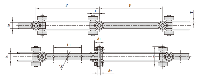
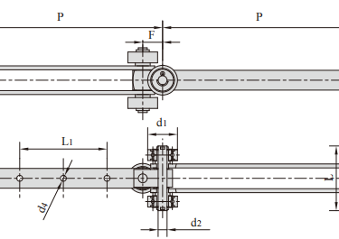
Double hinged conveying chain is the main traction component of light closed track suspension conveyor, which has two sets of hinges perpendicular to each other, and can run smoothly along curved closed track in space to realize suspension conveying.
There are many structures of double hinged conveyor chain. Typical structures in JB/T8546 standard include A-type structure (double-chain plate with double sprockets and single guide sprocket), S-type structure (double-chain plate with double sprockets and double guide sprocket) and Q-type structure (light double-chain plate with double sprockets and double guide sprocket), which can realize correct positioning in the track and reduce running resistance.




























Quality
Expert chain manufacturing with 20 years experience.
GET IN TOUCH
Tel:+86-571 88065675 | +86-571 88842852
E-mail:oceanindustry@vip.163.com
Fax:+86-571 88844378
Address:4th Floor, Block 2, Qianjiang Century Industrial Park, 2327 Hongning Road,Ningwei Town,Hangzhou, China
© 2005. All rights reserved.
