Conveyor chains for sausage production
Description
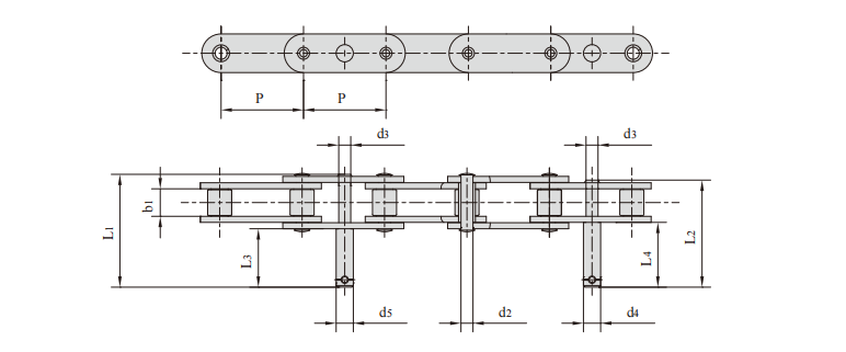
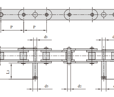
Parameter
The conveying chain of stainless steel sausage production line can complete the automatic conveying and baking of sausage.
Using high-quality 316 stainless steel material and advanced processing technology.the product has the characteristics of corrosion resistance, high temperature resistance and high chain length precision, which is suitable for long-distance and stable transportation.












Quality
Expert chain manufacturing with 20 years experience.
GET IN TOUCH
Tel:+86-571 88065675 | +86-571 88842852
E-mail:oceanindustry@vip.163.com
Fax:+86-571 88844378
Address:4th Floor, Block 2, Qianjiang Century Industrial Park, 2327 Hongning Road,Ningwei Town,Hangzhou, China
© 2005. All rights reserved.
