Conveyor chains for cold drink production
Description
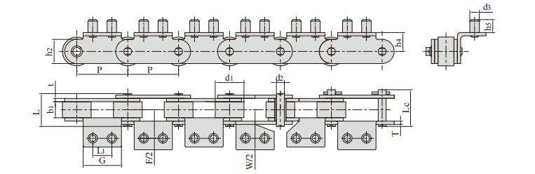
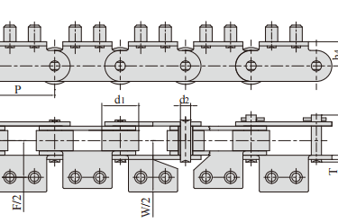
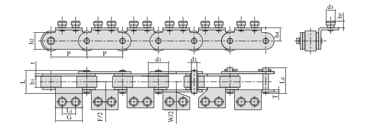
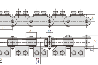
Parameter
Stainless steel cold drink processing and conveying chain is mainly used in ice cream production line to complete the filling, quick freezing, packaging and conveying of ice cream.
With high-quality stainless steel materials such as o6Cr1gNi10(304) and05Cr17Ni4Cu4Nb (630), advanced processing technology and efficient process equipment, the product has the characteristics of corrosion resistance, wear resistance and low temperature resistance.












Quality
Expert chain manufacturing with 20 years experience.
GET IN TOUCH
Tel:+86-571 88065675 | +86-571 88842852
E-mail:oceanindustry@vip.163.com
Fax:+86-571 88844378
Address:4th Floor, Block 2, Qianjiang Century Industrial Park, 2327 Hongning Road,Ningwei Town,Hangzhou, China
© 2005. All rights reserved.
