Conveying roller chains


Description
Parameter


The basic chain size of roller chain for transportation conforms to ISO, ASME/ANSI DIN, JIS and other standards, mainly including A series straight chain roller chain, B series straight chain roller chain, short pitch conveyor chain with accessories, double pitch conveyor chain, double pitch conveyor chain with accessories, etc.
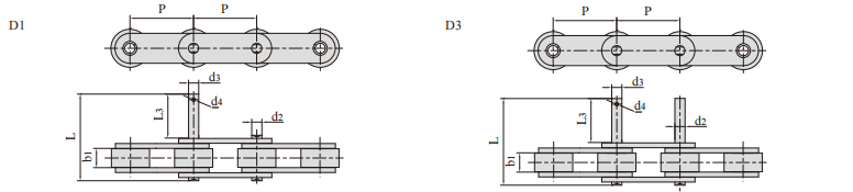
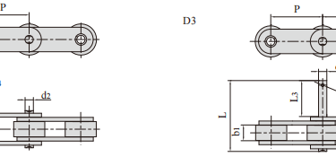
The accessories of roller chain for transportation are designed in different structural forms according to the use requirements, which have the characteristics of universality and diversity, among which the accessories such as horizontal bending attachment plate, vertical attachment plate with holes and lengthened pin shaft are widely used.
Products are widely used in chain conveyors and other conveying machinery to transmit power and materials.
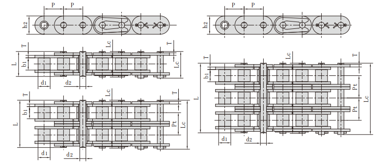
A series straight chain plate roller chain
B series straight chain plate roller chain


Double pitch conveyor chains






Double pitch conveyor chains with extended




Quality
Expert chain manufacturing with 20 years experience.
GET IN TOUCH
Tel:+86-571 88065675 | +86-571 88842852
E-mail:oceanindustry@vip.163.com
Fax:+86-571 88844378
Address:4th Floor, Block 2, Qianjiang Century Industrial Park, 2327 Hongning Road,Ningwei Town,Hangzhou, China
© 2005. All rights reserved.
